TGM1N塑壳断路器
TGM1N塑壳断路器
TGM1N塑壳断路器
TGM1N塑壳断路器
TGM1N塑壳断路器
TGM1N塑壳断路器
TGM1N塑壳断路器

TGM1N塑壳断路器

TGM1N 系列塑料外壳式断路器是采用国际先进技术平台开发的新型断路器,该产品适用于交流 50/60Hz,额定工作电压 690V 及以下的电路中做配电保护作用,也可做为线路的不频繁转换和电动机的不频繁启动之用,该产品具有外观精美、体积精巧、维护便捷、性能优越等优势,其优异的性能和超高的性价比可全面替代市面上 M1 系列产品。
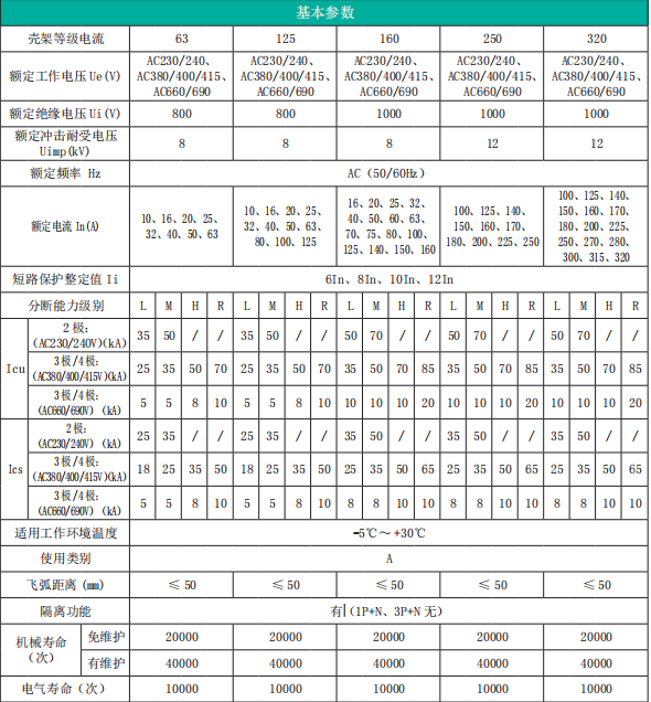
本系列断路器具有过载、短路保护装置。本系列断路器可垂直安装(即竖装),亦可水平安装(即横装),具有隔离功能。
断路器符合下列标准:
IEC 60947-1 及 GB/ 14048.1 《低压开关设备 第1部分:总则》。
IEC 60947-2 及 GBT 14048.2 <低圧开关设备 第2部分:断路器>。
产品认证:CCC、CB、CE。

资格证书

参数


Copyright ©2025 浙江ayx入口电气股份有限公司 备案号 浙ICP备05055822号-4

x

联系我们

您可以向我们发送有关ayx入口电气的问题咨询

I have read and accept the Privacy Policy



ayx入口